
電子技術的發展賦予智能終端日趨多元的功能和應用場景,但也使其耗電量攀升,而電池技術的緩慢發展制約了智能終端的續航能力。行業通過發展和普及快充技術縮短充電時間,變相提升了續航能力。目前,從手機到平板電腦、筆記本電腦、顯示器等智能終端都紛紛采用快充技術,此舉大大提升了用戶體驗。
美芯晟推出的高集成、高效率、從原邊控制器、副邊同步整流到快充協議芯片的20W~65W的整體解決方案,可滿足終端用戶對高性能、高性價比等方面的需求。

產品介紹

SSR控制器(驅動Si MOS)

SSR控制器(驅動GaN功率管)


同步整流(SR)控制器MT2200系列,可用于high side也可用于low side,可支持的原邊最高工作頻率在200KHz以上,并支持QR和CCM等多種工作模式,滿足現有常見快充應用。
MT2200可輸出3.3V~21V,滿足USB PPS寬電壓輸出要求。MT2205內置Si MOS,利于小型化設計。


美芯晟開發的快充協議芯片包括MT2701和最新的MT280X系列,芯片兼容多種快充協議。MT2701支持65W以內應用,兼容PD3.0,PPS,QC2,QC3,AFC,FCP,私有協議低壓直充5V4.5A,Apple 5V2.4A,BC1.2等常用協議。MT2701采用純硬件架構,通過外部元件來調節輸出功率段,應用簡單,BOM成本低,適合不需要USB-IF認證的客戶。

即將推出的MT280X系列芯片集成可編程MCU,可根據客戶需要進行靈活的二次軟件開發,滿足高通或USB-IF認證需求。
方案應用
美芯晟提供65W以內分離式和合封式的多種快充整體解決方案,客戶使用整體解決方案可加快項目開發進度,靈活選取,應用更加多元化。
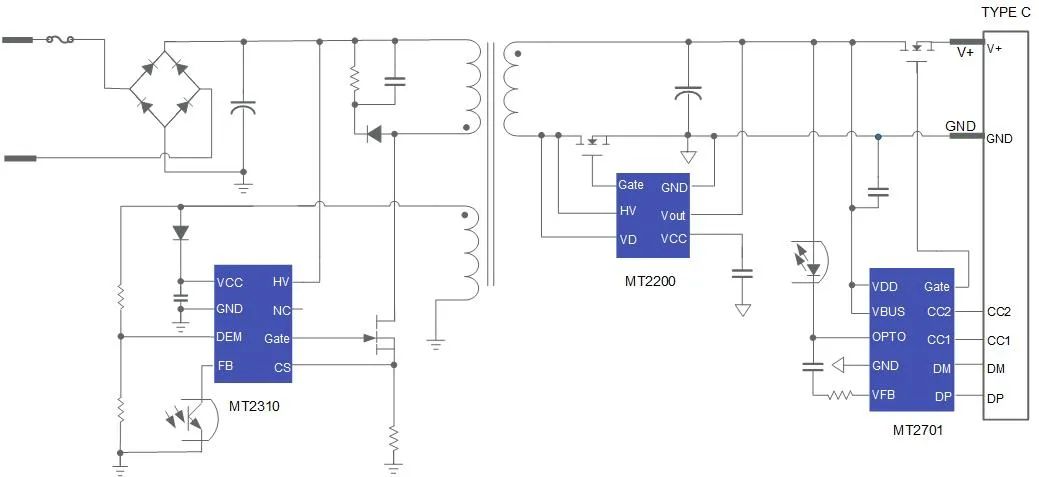
65W以內分離式整體方案

65W以內分離式整體方案典型應用如上圖所示。SSR控制器方面,客戶可根據需求使用驅動Si MOS的MT2300或使用驅動GaN功率管的MT2310。同步整流(SR)控制器使用支持寬電壓輸出、應用范圍廣的MT2200??斐鋮f議芯片則是兼容多種協議的MT2701。分離式方案可讓客戶發揮自身Si MOS或GaN功率管供應鏈優勢來選擇合適的器件。
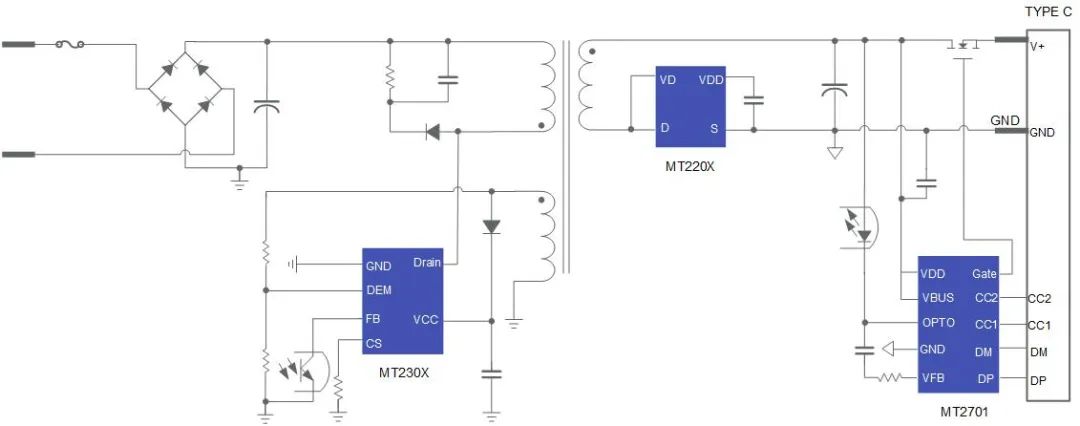
65W以內合封 Si MOS/GaN功率管整體方案

65W以內合封 Si MOS/GaN功率管整體方案典型應用如上圖所示。配套使用的快充協議芯片是兼容多協議的MT2701,合封式方案利于客戶將產品小型化。
美芯晟快充整體方案既可驅動傳統Si MOS,也可驅動第三代半導體氮化鎵(GaN)功率器件,以豐富的產品線滿足多樣化、個性化的市場需求,可用于手機、筆記本電腦等便攜設備和小家電、機頂盒、LCD屏幕等產品。同時,美芯晟對有線快充芯片進行持續迭代,進一步減少外圍元器件,使整機產品更加小型化、輕量化。